文章

有谁知道BNC连接器是怎么分类的
在网络上,关于bnc连接器分类的文章,您可以…

我觉得好的bnc连接器这两方面肯定很突出
每一款好的产品,都有着自己的一些特性,它…

各种bnc连接器的生产还是我们专业
采购bnc连接器,当然来东莞德索。本公司的bnc…

BNC接头与TNC接头的差别在哪里
0 评论
/
元器件行业里头,bnc接头与tnc接头是比较常见的两款射频产品,两种产品各有各的特点,那么现在问你这二者有什么差别,您能答上来吗?为了让用户更加快捷的区分两款产品,德索工程师将会为您介绍一下二者的差别,希望对你有用。
BNC接头与TNC接头的区别:
BNC接头:适用的频率范围为0~4GHz,是用于低功率的具有卡口连接机构的同轴电缆连接器。这种连接器可以快速连接和分离,具有连接可靠、抗振性好、连接和分离方便等特点,适合频繁连接和分离的场合,广泛应用于无线电设备和测试仪表中连接同轴射频电缆。
TNC接头…

关于bnc插头
/
听惯了BNC接头、BNC接口、BNC连接器,如果此时问您什么是BNC插头,你会不会觉得有些懵逼。下面德索电子工程师,将会为您介绍一些BNC插头方面的知识,让您对BNC产品有一个更深的了解。
在行业内,BNC插头也被人叫做Q9头,它是一种标准型的同轴电缆连接器,主要用于视频监控和网络工程的范围,用以实现从设备到电缆或从电缆到设备之间的抗干扰连接。
视频监控所用BNC头特性阻抗为75欧姆,网络电缆所用BNC头特性阻抗为50欧姆。目前,网络电缆的使用已经越来越被双绞线和光纤所取代,所以BNC头绝大部分是用于视频监控领域。同轴电缆两端通过BNC接头连接T型BNC头,通过T型BNC头连接网卡,用同轴电缆组网需在同轴电缆两端制作BNC接头.
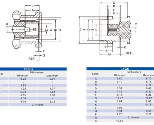
BNC连接器包括:…

BNC接口怎样使用你知道吗
/
bnc接口是电子元器件采购中比较频繁的一款产品,这款产品主要是用于视频监控领用,用以提高人们生活、工作的安全性。那么如何使用bnc接口呢?对于这样的问题,德索电子工程师将会为您详细介绍一下bnc接口的使用方法。
1、剥线
同轴电缆由外向内分别为保护胶皮、金属屏蔽网线(接地屏蔽线)、乳白色透明绝缘层和芯线(信号线),芯线由一根或几根铜线构成,金属屏蔽网线是由金属线编织的金属网,内外层导线之间用乳白色透明绝缘物填充,内外层导线保持同轴固称为同轴电缆。
2.连接芯线
购回的bnc接口由bnc接口本体、屏蔽金属套筒、芯线插针由三件组成,芯线插针用于连接同轴电缆芯线;剥好线后请将芯线插入芯线…

bnc视频监控接头测试方法
/
不少客户在制作好BNC接头以后,会碰到这样的问题,那就是不知道怎么去测试,那么到底bnc接头如何测试呢?对于这个测试方面的问题,德索电子工程师,将在下文中为您重点进行解答。
问题出现过程还原及详细描述:
用寻线器可能因为视频线屏蔽层或者线路较长缘故到服务器端听不见滴滴声。将摄像头那边的BNC头断开,然后在机房用万用表检测BNC头线路电阻是2.2*200M;摄像头那边线路BNC头线芯和屏蔽层用螺丝短路,检测线路电阻1.5在20M档(应该是1.5MΩ);将摄像头BNC头和线路连接,机房检测线路电阻增加到10在20M档(应该是10MΩ)。螺丝短路检测不是很稳定,可能因为短路接触不好。用工程宝测试过摄像头视频输出没问题,但是工程宝连接视频线图像发射到服务器端看不到图像,所以问题锁定在线路BNC头和线路本身。
工程师观点一
据排除方向,一般看不到图像有两种原因:摄像头本身跟线路问题。。。既然检测过摄像头没问题的话,就是线路上面的故障。。。至于说是BNC口故障还是线本身有问题这个最好办法就是重做BNC口
工程师观点二
一般有四种情况:视频线路,电源线路,BNC头,摄像机,要一个一个排除,测试,用替换法吧~~…
//m.zgajf.com/wp-content/uploads/2018/02/1517655719-3786-19-2.jpg
600
600
dosin
//m.zgajf.com/wp-content/uploads/2017/12/bncjietou-logo.png
dosin2018-02-03 19:03:412018-02-03 19:03:41你知道BNC接口怎么和线接起来吗
//m.zgajf.com/wp-content/uploads/2018/02/1517655447-8398-bnc-interface-1030x670.jpg
670
1030
dosin
//m.zgajf.com/wp-content/uploads/2017/12/bncjietou-logo.png
dosin2018-02-03 18:58:362018-02-03 18:58:36BNC连接器型号介绍
