文章

BNC连接器规格简介
0 评论
/
在下文中,德索五金电子工程师将会详细为您介绍BNC连接器规格方面的内容,让各位电子元器件从业者更好的进行BNC连接器的采购工作。BNC连接器规格没有我们想象中的那么复杂,一篇文章便可让您记住BNC连接器的规格。
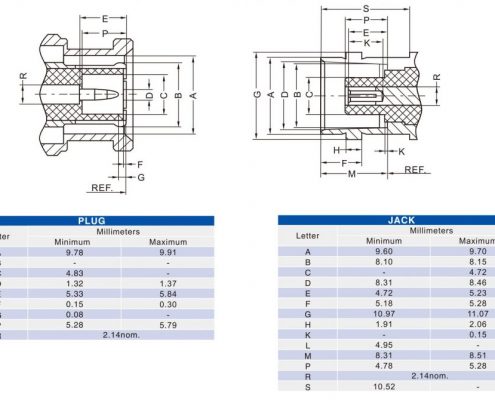
BNC连接器的规格,需要从电器性能、机械性能、环境性能三个方面来阐述,分别如下:
第一、电器性能
阻抗:…
//m.zgajf.com/wp-content/uploads/2018/01/1517296402-8187-bnc-jietou-gongmu.png
479
452
dosin
//m.zgajf.com/wp-content/uploads/2017/12/bncjietou-logo.png
dosin2018-01-30 15:56:032018-01-30 15:56:03谈谈BNC接头是什么